お電話・フォームにて お気軽にお問い合わせください!
メール:info@p-h-shop.com
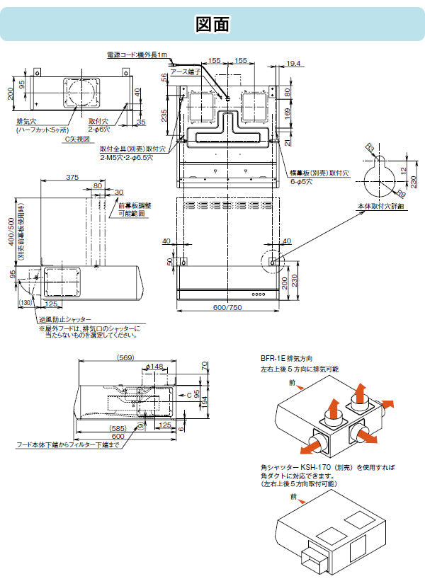
品番
BFR-1E-601__
幅600mm×奥行600mm×高さ600mmまたは700mm
※受注生産品のため、お届けまで約2週間程度かかります。※お急ぎの方はスタッフまでご相談ください。
※商品の詳細寸法に関しては図面をお渡ししますので、スタッフまでお気軽にご依頼ください。
※横幕板が必要な方はスタッフまでお問い合わせ下さい。